摘要:液压升降平台具有载重量大,结构坚固,升降平稳,操作简单,维护方便等特点。适用于工厂,仓库,车站,搬运的场所等。这篇论文介绍了液压升降平台的液压系统和工作特性。具有结构紧凑、安装维护方便、利于实现典型液压系统的集成化和标准化等优点。
关键词:液压升降平台液压系统 可编程控制器
1 引言:
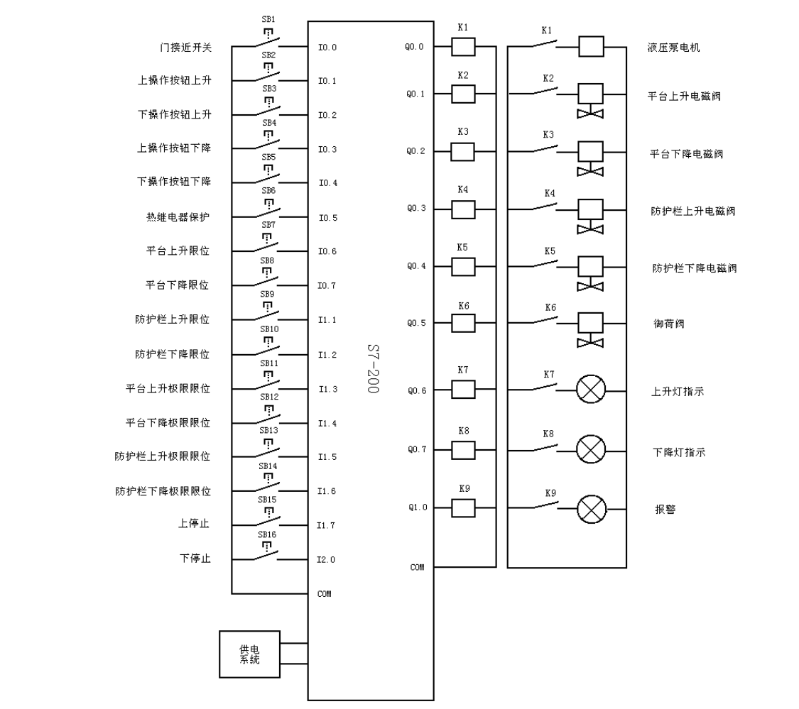
液压升降工作台在小型的工厂里实用性很广,它的整个工艺流程是建立在液压系统,电器控制,PLC的控制的基础上的,通过液压系统的的动力装置,结合PLC的过程控制,实现在电器柜的操作面板上的简单操作,整个的一个系统实用,简单,方便,易于操作。在现代化工业生产中,可以结合现代控制技术的其他设备发挥更大的作用,其在现代化生产中占有举足轻重的作用。
液压系统的设计步骤与设计要求
液压传动系统是液压机械的一个组成部分,液压传动系统的设计要同主机的总体设计同时进行。着手设计时,必须从实际情况出发,有机地结合各种传动形式,充分发挥液压传动的优点,力求设计出结构简单、工作可靠、成本低、效率高、操作简单、维修方便的液压传动系统。
设计要求是进行每项工程设计的依据。在制定基本方案并进一步着手液压系统各部分设计之前,必须把设计要求以及与该设计内容有关的其他方面解清楚。
(1)主机的概况:用途、性能、工艺流程、作业环境、总体布局等;
(2) 液压系统要完成哪些动作,动作顺序及彼此联锁关系如何;
(3) 液压驱动机构的运动形式,运动速度;
(4) 各动作机构的载荷大小及其性质;
(6) 对调速范围、运动平稳性、转换精度等性能方面的要求;
(7) 自动化程序、操作控制方式的要求;
(8) 对防尘、防爆、防寒、噪声、安全可靠性的要求;
(9) 对效率、成本等方面的要求。
下载内容

下载资源到电脑,查找使用更方便
¥39.00
最新动态
用户留言